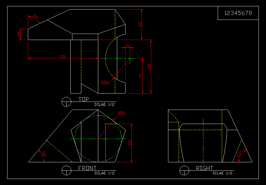
2000769922_P1cf9gBQ_a9182f55582226120347c3b64d904e81559a280d.png 이미지크게보기